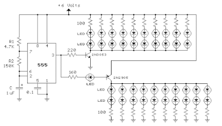
Lampu Sepeda 40 LED
Rangkaian 555 di bawah ini adalah lampu sepeda berkedip yang ditenagai dengan empat sel baterai C,D atau AA (6 volt). Dua set 20 LED akan menyala bergantian sekitar 4,7 siklus per detik menggunakan nilai RC yang ditunjukkan (4,7K untuk R1, 150K untuk R2 dan kapasitor 1uF). Interval waktu untuk kedua lampu tersebut adalah sekitar 107 milidetik (T1, LED atas) dan 104 milidetik (T2 LED bawah).
Dua transistor digunakan untuk memberikan arus tambahan di luar batas 200 mA dari timer 555. Sebuah LED tunggal ditempatkan secara seri dengan basis transistor PNP sehingga 20 LED yang lebih rendah mati ketika output 555 menjadi tinggi selama interval waktu T1.
Tingkat output tinggi dari timer 555 adalah 1,7 Volt lebih rendah dari tegangan suplai. Menambahkan LED meningkatkan tegangan maju yang diperlukan transistor PNP menjadi sekitar 2,7 Volt sehingga selisih 1,7 Volt dari suplai ke output tidak cukup untuk menyalakan transistor. Setiap LED dilengkapi dengan arus sekitar 20mA dengan total 220mA.
Sirkuit harus bekerja dengan LED tambahan hingga sekitar 40 LED untuk setiap grup, atau total 81. Sirkuit ini juga akan bekerja dengan lebih sedikit LED sehingga dapat dirakit dan diuji hanya dengan 5 LED (dua grup berisi dua plus satu) sebelum menambahkan yang lainnya.

Tidak ada komentar:
Posting Komentar