Economical Pump Controller
Pengontrol pompa otomatis meniadakan kebutuhan untuk mengganti pompa secara manual yang dipasang untuk tujuan pemompaan air dari reservoir ke tangki atas (lihat Gambar 1). Ini secara otomatis menyalakan pompa ketika ketinggian air di dalam tangki turun di bawah tingkat rendah tertentu L), asalkan ketinggian air di dalam reservoir berada di atas tingkat tertentu (R).
Selanjutnya, ketika ketinggian air di dalam menara naik ke tingkat atas ( M ), pompa dimatikan secara otomatis. Pompa dihidupkan lagi hanya ketika permukaan air kembali turun di bawah tingkat L di dalam tangki, asalkan tingkat di reservoir di atas R. Tindakan otomatis ini berlanjut.
Gambar 1 : Blok diagram Pump Controller
Sirkuit ini dirancang untuk mengabaikan osilasi transien permukaan air yang jika tidak akan menyebabkan logika mengubah keadaannya dengan cepat dan tidak perlu. Sirkuit menggunakan chip CMOS tunggal (CD4001) untuk pemrosesan logika.
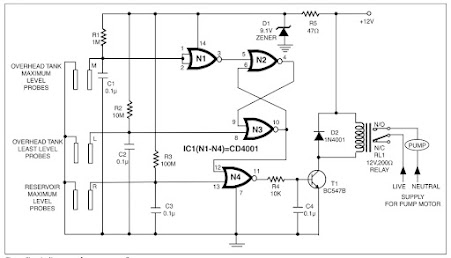
Tidak ada penggunaan bagian elektro-mekanis yang bergerak dalam sensor ketinggian air yang telah dilakukan. Ini memastikan respons cepat, tidak ada keausan, dan tidak ada kerusakan mekanis. Diagram sirkuit ditunjukkan pada Gambar 2. Perangkat bekerja dengan memuaskan pada uji coba bersama dengan motor dan pompa 0,5 HP.
Sensor yang digunakan dalam rangkaian dapat berupa dua probe penghantar, sebaiknya tahan terhadap korosi elektrolitik. Misalnya, dalam kasus yang paling sederhana, jack audio yang disegel dengan benar dapat digunakan sebagai sensor.
Rangkaian ini juga dapat digunakan sebagai pemelihara level fluida yang konstan. Untuk tujuan ini, probe M dan L didekatkan satu sama lain untuk memastikan bahwa level fluida dipertahankan dalam level M dan L.
Keuntungan dari sistem ini adalah dapat digunakan pada tangki / reservoir dengan kapasitas apapun. Namun, sirkuit tidak dapat digunakan untuk cairan nonkonduktor murni. Untuk fluida nonkonduksi, beberapa modifikasi perlu dilakukan pada sensor level fluida. Namun sirkuit dapat tetap utuh.
Gambar 2 : Skematik diagram Pump controller


Tidak ada komentar:
Posting Komentar